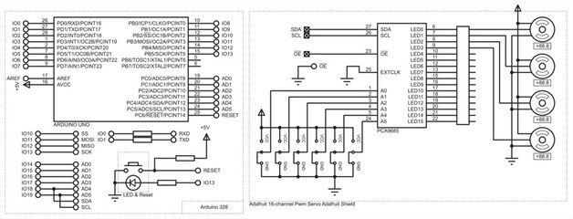
2
  Dodatkowe filtry:  
Podobny obraz 2D Drawing Layout Design for Boxing Arena with Seating...
X
Ilość: 24849473, strona 1/517698